هناك إجماع علمي على أنواع الدموع الموجودة: الدموع القاعدية (تلك التي تفرز باستمرار لتليين العين)، الدموع المنعكسة (يتم إفرازها عند اكتشاف جزيئات غريبة في العين) أو الدموع النفسيةبسبب حالات عاطفية شديدة (حزن، سعادة، غضب…).
قد تبدو هذه الفئات الثلاث بسيطة، لكنها ليست بهذه البساطة إذا فصلنا أنفسنا عن المنظور العلمي والتزمنا بوجهة النظر الجمالية.
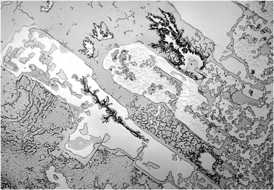
المصور روز لين فيشر وتساءل كيف ستبدو الأنواع المختلفة من الدموع عند النظر إليها تحت المجهر، اعتمادًا على أصلها. النتيجة تسمى
يمكننا أن نرى أن الدموع القاعدية ترسم جسمًا غير متماثل.
الدموع الناتجة عن تقشير البصل تشبه إلى حد ما أوراق الأشجار. أنها تخلق تصميمًا متجانسًا للغاية.
رسم الدموع التي نطردها عندما نضحك هو أمر جنوني بعض الشيء.
الرسم، في هذه الحالة، مربك إلى حد ما.
إن الاختلاف في الأشكال التي يمكن رؤيتها بالدموع من خلال المجهر يرجع جزئياً إلى الحالة العاطفية للشخص الذي قام بإفرازها. اعتمادًا على حالة نظام الغدد الصم العصبية، سيتم إفراز هرمونات وناقلات عصبية مختلفة، والتي ستحدد كميتها ونوعها التركيب الجزيئي للدموع قبل إطلاقها إلى الخارج. وهذا يعني أنه بما أن الحالات الذهنية المختلفة تتبع أنواعًا مختلفة من العمليات الفسيولوجية، فإن الاستجابة الجسدية التي تنتجها تكون مختلفة أيضًا.
ومن ناحية أخرى، فإن الظروف التي جفت فيها الدموع لتصبح عينات مجهرية (الملح المتبلور) تؤثر أيضًا على شكل هذه الهياكل.
قد تبدو هذه الفئات الثلاث بسيطة، لكنها ليست بهذه البساطة إذا فصلنا أنفسنا عن المنظور العلمي والتزمنا بوجهة النظر الجمالية.
أنواع مختلفة من الدموع يمكن رؤيتها تحت المجهر
المصور روز لين فيشر وتساءل كيف ستبدو الأنواع المختلفة من الدموع عند النظر إليها تحت المجهر، اعتمادًا على أصلها. النتيجة تسمى
من فضلك قم , تسجيل الدخول أو تسجيل لعرض المحتوى
.الدموع القاعدية
يمكننا أن نرى أن الدموع القاعدية ترسم جسمًا غير متماثل.
الدموع الناتجة عن تقشير البصل
الدموع الناتجة عن تقشير البصل تشبه إلى حد ما أوراق الأشجار. أنها تخلق تصميمًا متجانسًا للغاية.

الدموع بسبب الضحك
رسم الدموع التي نطردها عندما نضحك هو أمر جنوني بعض الشيء.

دموع الحزن على الحداد
الرسم، في هذه الحالة، مربك إلى حد ما.

إن الاختلاف في الأشكال التي يمكن رؤيتها بالدموع من خلال المجهر يرجع جزئياً إلى الحالة العاطفية للشخص الذي قام بإفرازها. اعتمادًا على حالة نظام الغدد الصم العصبية، سيتم إفراز هرمونات وناقلات عصبية مختلفة، والتي ستحدد كميتها ونوعها التركيب الجزيئي للدموع قبل إطلاقها إلى الخارج. وهذا يعني أنه بما أن الحالات الذهنية المختلفة تتبع أنواعًا مختلفة من العمليات الفسيولوجية، فإن الاستجابة الجسدية التي تنتجها تكون مختلفة أيضًا.
ومن ناحية أخرى، فإن الظروف التي جفت فيها الدموع لتصبح عينات مجهرية (الملح المتبلور) تؤثر أيضًا على شكل هذه الهياكل.
دموع النهاية والبداية

دموع التمجانار

دموع لم الشمل العاطفي

دموع التغيير
